Главная страница О компании Техподдержка Контакты
Phone Phone Phone Время работы: Пн-Пт с 09.00 до 17.00. Сб, Вc - выходной
Агрегаты холодильные
Вентиляторы
Воздухоохладители
Датчики, реле давления, реле контроля смазки
Двигатель вентилятора
Доп. контакт контактора
Запасные части для холодильных компрессоров
Инструмент
Кислородно-пропановые посты Becool
Компрессор кондиционера
Компрессоры
Конденсаторы воздушного охлаждения
Конденсаторы электрические
Контроллеры. Термостаты
Ленточные ПВХ-завесы
Масла холодильные
Маслоотделитель
Регулятор уровня масла
Регуляторы: скорости, KVC, KVR+NRD, KVP, KVD, KVL
Реле времени, промежуточные реле
Реле защиты двигателя
Реле контроля напряжения
Ресиверы
Ручка-замок для распашной двери холодильной камеры
Теплообменники
Терморегулирующие, соленоидные вентили, Rotalock
Трубка медная, капилярная, припой
Тэн
Установки сбора, вакуумирования, заправки хладаген
Фильтра
Химические компоненты
Хладагент, фреон.
Частотный преобразователь

компрессор BITZER 8GE-60Y-40S (Код: 049757)

Единица измерения: шт

Полугерметичные немецкие компрессоры BITZER нового поколения Ecoline обладают увеличенным холодильным коэффициентом и тремя версиями электродвигателей для всех типов применения: низкотемпературное, среднетемпературное, тепловые насосы, кондиционирование воздуха. Каждая модель ECOLINE полностью взаимозаменяема со своей предшествующей моделью компрессора. BITZER предлагает уже доказавшую свою надёжность и эффективность систему регулирования производительности как опцию к компрессорам. Одно из важнейших преимуществ линейки ECOLINE - это возможность работы с внешними частотными инверторами.

Преимущества нового поколения компрессоров Bitzer Ecoline:

  • Расширены области применения и увеличена надежность при работе с высокой температурой окружающей среды: (например, для R404A/R507A , ECOLINE с мотором 2: температура кипения теперь до 0°C, температура конденсации до 62°C).
  • Упрощается возможность работы в низкотемпературных режимах: температура кипения до -45°C. Допускается работа без дополнительного вентилятора обдува на фреоне R404A.
  • Годовой холодильный коэффициент до 20% выше в сравнении с обычными решениями на R404A.
  • Доступность, несложный монтаж, простота обслуживания.
  • Практически полная совместимость с предшествующими моделями.

Технические характеристики

Марка компрессора

Ecoline BITZER 8GE-60Y-40S

Тип компрессора

полугерметичный поршневой

Код заказа

04 97 57

Назначение компрессора

широкий рабочий диапазон

Электропитание компрессора

3 фазы/380 В/50 Гц

Холодопроизводительность (R404A)(Tк = 45 oC), Вт

Tо = +5 oC

156 800

Tо = -10 oC

90 500

Объёмная производительность, м3

185

Количество цилиндров

8

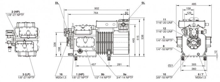
Высота, мм

538

Длина, мм

886

Ширина, мм

485

Масса нетто, кг

350

Количество масла, л

5

Хладагент

R404A / R507

Патрубок на всасывание, дюйм

3 1/8"

Патрубок на нагнетание, дюйм

1 5/8"

ЧП "ВКС Снаб" предлагает купить - компрессор Bitzer в Минске, возможна доставка по всем регинам Республики Беларусь.

Подробную консультацию по приобретению и техническим характеристикам товара Вы можете получить у специалистов нашей компании. 

                   Звоните прямо сейчас!

  A1 (044) 701-28-06,

Viber (29)686-03-50

E-mail: vkssnab@mail.ru