Главная страница О компании Техподдержка Контакты
Phone Phone Phone Время работы: Пн-Пт с 09.00 до 17.00. Сб, Вc - выходной
Агрегаты холодильные
Вентиляторы
Воздухоохладители
Датчики, реле давления, реле контроля смазки
Двигатель вентилятора
Доп. контакт контактора
Запасные части для холодильных компрессоров
Инструмент
Кислородно-пропановые посты Becool
Компрессор кондиционера
Компрессоры
Конденсаторы воздушного охлаждения
Конденсаторы электрические
Контроллеры. Термостаты
Ленточные ПВХ-завесы
Масла холодильные
Маслоотделитель
Регулятор уровня масла
Регуляторы: скорости, KVC, KVR+NRD, KVP, KVD, KVL
Реле времени, промежуточные реле
Реле защиты двигателя
Реле контроля напряжения
Ресиверы
Ручка-замок для распашной двери холодильной камеры
Теплообменники
Терморегулирующие, соленоидные вентили, Rotalock
Трубка медная, капилярная, припой
Тэн
Установки сбора, вакуумирования, заправки хладаген
Фильтра
Химические компоненты
Хладагент, фреон.
Частотный преобразователь

компрессор BITZER 4NES-20Y-40S (Код: 049732)старая модель4NCS-20.2Y

Единица измерения: шт

Полугерметичный поршневой холодильный компрессор BITZER Ecoline 4NES-20Y-40P используется в холодильных установках, системах холодоснабжения, системах кондиционирования воздуха. Серия полностью охватила диапазон производительности компрессоров прошлого поколения и соответствует им по присоединительным размерам. Компрессоры серии Ecoline оптимизированы для работы с хладагентом R134a, также могут использоваться R404A, R407C, R507A, R22 (его применение ограничено Монреальским протоколом, в 2020 от него планируется полностью отказаться, заменив безопасными для озона фреонами).
Привод компрессора износоустойчив, обеспечивается низкая вибрация и бесшумность работы, чему способствует оптимизированная балансировка масс и низкая пульсация газа благодаря особой конструкции головки цилиндров. Устройство надежно, клапаны выполнены из пружинной ударопрочной стали, клапанная доска упрочнена. Компрессор снабжен встроенным электромотором с датчиками РТС, контролирующими температурный режим. Имеется возможность регулировки производительности (только для 4,6,8 цилиндровых компрессоров).

  • Серия Ecoline в сравнении с предшественниками обладает на 12% увеличенным коэффициентом полезного действия.
  • Увеличение энергоэффективности среднетемпературных холодильных установок до 20%, в сравнении с традиционными системами на R404A.
  • Область применения расширена в сторону низких температур конденсации хладагента, за счет чего достигнуто улучшение COP (холодильный коэффициент) более чем на 30%.
  • Значительное снижение энергопотребления, в сравнении с традиционными системами на R404A.

В зависимости от необходимых условий работы можно купить поршневой компрессор Bitzer с дополнительными опциями: подогрев масла в картере, вентилятор дополнительного охлаждения цилиндров, система охлаждения впрыска, система регулировки производительности. В комплект стандартной поставки, входит заправка маслом и защитным газом. Модель оборудована защитными вентилями Rotalock на всасывании и нагнетании. В стандартном исполнении, компрессор имеет 4 виброопоры.

Технические характеристики

Марка компрессора

Ecoline BITZER 4NES-20Y-40S

Тип компрессора

полугерметичный поршневой

Код заказа

04 97 32

Назначение компрессора

широкий рабочий диапазон

Холодильный коэффициент (EN 12900)

2,34

Регулирование производительности

да

Электропитание компрессора

3 фазы/380 В/50 Гц

Холодопроизводительность (R404A)(Tк = 45 oC), Вт

Tо = +5 oC

51 900

Tо = -10 oC

28 600

Объёмная производительность, м3

56,2

Количество цилиндров

4

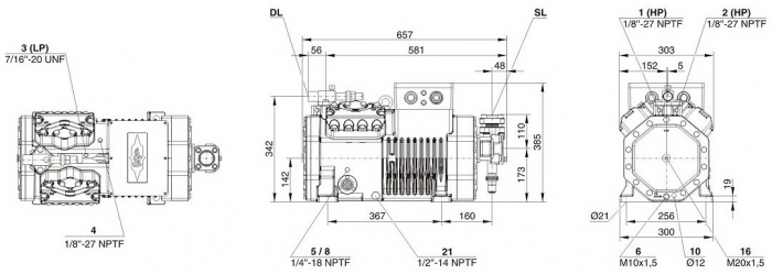
Высота, мм

385

Длина, мм

657

Ширина, мм

303

Масса нетто, кг

150

Количество масла, л

2,6

Уровень шума, dBA

78,3

Патрубок на всасывание, дюйм

1 5/8"

Патрубок на нагнетание, дюйм

1 1/8"

Хладагент

R404A / R507

ЧП "ВКС Снаб" предлагает купить - компрессор Bitzer в Минске, возможна доставка по всем регинам Республики Беларусь.

Подробную консультацию по приобретению и техническим характеристикам товара Вы можете получить у специалистов нашей компании. 

                       Звоните прямо сейчас!

  A1 (044) 701-28-06,

Viber (29)686-03-50

E-mail: vkssnab@mail.ru